

1.产品概述
QFZ系列蓄能器安全阀组由高压球芯截止阀,直动式溢流阀和一个小型截止阀组成,具有启闭、安全、卸荷阀等作用。
2.型号说明
QFZ _ H※ ※ ※
① ② ③ ④
① 名称代号:安全阀组
② 压力等级:Hb-10Mpa Hc-20Mpa Hd-31.5Mpa
③ 公称通径:15、25、40、50mm
④ 连接方式:F—法兰连接,L—螺纹连接
3.结构原理

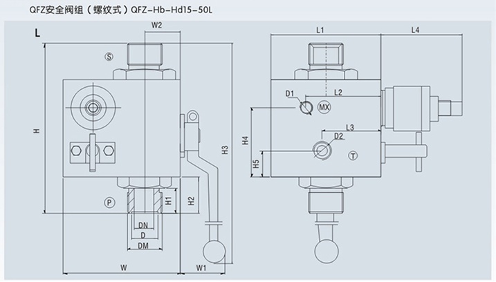
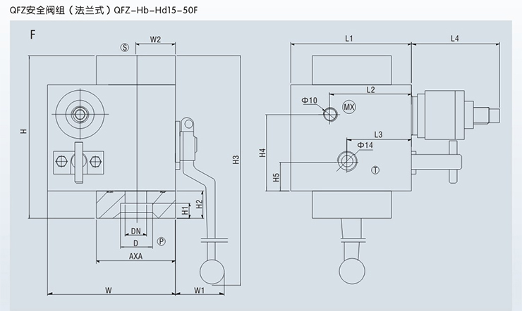
4.外形尺寸


| 型号 |
DN (mm) |
PN (Mpa) |
基本尺寸 (mm) |
重量 (Kg) | ||||||||||||||||
| L1 | L2 | L3 | L4 | H | H1 | H2 | H3 | H4 | H5 | W | W1 | W2 | D | D1 | D2 | DM | ||||
| QFZ-H※15L | 15 | 10 20 31.5 | 85 | 58 | 46 | 68 | 131 | 20 | 28 | 201 | 53 | 20 | 90 | 33 | 28 | 20 | M10×1 | M18×1.5 | M27×2 | 5 |
| QFZ-H※25L | 25 | 90 | 58 | 46 | 68 | 167 | 23 | 31 | 262 | 76 | 23 | 110 | 44 | 37 | 35 | M42×2 | 9 | |||
| QFZ-H※40L | 40 | 100 | 65 | 46 | 68 | 200 | 30 | 40 | 318 | 90 | 35 | 140 | 45 | 48 | 52 | M60×2 | 19 | |||
| QFZ-H※50L | 50 | 120 | 70 | 46 | 68 | 240 | 30 | 40 | 377 | 115 | 56 | 160 | 50 | 60 | 63 | M72×2 | 27 | |||
| 型号 |
DN (mm) |
PN (Mpa) |
基本尺寸 (mm) |
重量 (Kg) | ||||||||||||||||
| L1 | L2 | L3 | L4 | H | H1 | H2 | H3 | H4 | H5 | W | W1 | W2 | D | D1 | D2 | A×A | ||||
| QFZ-H※15F | 15 | 10 20 31.5 | 85 | 58 | 46 | 68 | 115 | 11 | 20 | 193 | 53 | 20 | 90 | 33 | 28 | 22.5 | M10×1 | M18×1.5 | 56 | 5 |
| QFZ-H※25F | 25 | 90 | 58 | 46 | 68 | 155 | 14 | 25 | 256 | 76 | 23 | 110 | 44 | 37 | 35 | 74 | 9 | |||
| QFZ-H※40F | 40 | 100 | 65 | 46 | 68 | 180 | 18 | 30 | 308 | 90 | 35 | 140 | 45 | 48 | 52 | 96 | 19 | |||
| QFZ-H※50F | 50 | 120 | 70 | 46 | 68 | 230 | 20 | 35 | 372 | 115 | 56 | 160 | 50 | 60 | 63 | 110 | 27 | |||
5.订货说明
① 订货时须写明型号代号全称,如:工作压力为31.5Mpa,通径为40mm,连接方式为法兰式的安全阀组:QFZ-Hd40F。
② 如对安全阀组还有特殊要求时,请同本公司商洽。
③ 本公司保留产品的设计更改权,对修改恕不另行通知。
7×24小时服务热线 13736056877