

1.产品概述
储气罐是以储气方式储存能量。作为气体动力源,或作为非隔离式蓄能器,气体与液体直接接触,在液压、气动系统中起储能、补偿液压损耗和稳定压力等作用,目的是增加排油容量,减少泵机绒组功率。非隔离式蓄能器具有容量大、功能损耗少、节约能源、占地面积小等优点。本公司生产的非隔离式蓄能器储气罐采用无缝钢管热旋压成形工艺,具有安全可靠、外形美观、性能稳定的特点。目前已广泛应用于机械工业和军工行业等领域之中。
非隔离式蓄能器站一般与活塞式蓄能器配套使用,目的是增加排油容量,减少泵机绒组功率,从而起到节能作用,应用于快速放油液场合,如大型压铸机上。

非隔离式蓄能器站
2.型号说明
C Q P Φ – V / P ※ - ※
①②③④ ⑤ ⑥
① 储气瓶
② 罐体外径(mm)
③ 公称容量:(L)
④ 公称压力:(Mpa)
⑤ 结构型式:A—双头 B—单头
⑥ 螺纹类型
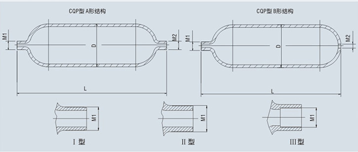
3.外形尺寸

4.技术参数
型号 | 外径 (mm) | 公称压力 (Mpa) | 公称容积 (L) | 基本尺寸 | 连接螺纹 | 重量 (KG) | |||
A型 | B型 | M1 | M2 | A型 | B型 | ||||
CQPΦ-10/14-※ | 219 | 14 | 10 | 570 | 510 | M60×2-6g | M30×1.5-6H | 44 | 41 |
CQPΦ-16/14-※ | 16 | 760 | 700 | 59 | 56 | ||||
CQPΦ-25/14-※ | 25 | 1090 | 1030 | 82 | 79 | ||||
CQPΦ-32/14-※ | 32 | 1330 | 1280 | 98 | 95 | ||||
CQPΦ-40/14-※ | 40 | 1610 | 1550 | 118 | 115 | ||||
CQPΦ-10/20-※ | 20 | 10 | 570 | 570 | 38 | 36 | |||
CQPΦ-16/20-※ | 16 | 760 | 760 | 51 | 49 | ||||
CQPΦ-25/20-※ | 25 | 1090 | 1030 | 70 | 68 | ||||
CQPΦ-32/20-※ | 32 | 1330 | 1280 | 84 | 82 | ||||
CQPΦ-40/20-※ | 40 | 1610 | 1550 | 101 | 99 | ||||
CQPΦ-10/31.5-※ | 31.5 | 10 | 570 | 570 | 44 | 41 | |||
CQPΦ-16/31.5-※ | 16 | 760 | 760 | 59 | 56 | ||||
CQPΦ-25/31.5-※ | 25 | 1090 | 1030 | 82 | 79 | ||||
CQPΦ-32/31.5-※ | 32 | 1330 | 1280 | 98 | 95 | ||||
CQPΦ-40/31.5-※ | 40 | 1610 | 1550 | 118 | 115 | ||||
CQPΦ-40/14-※ | 299 | 14 | 40 | 990 | 930 | M80×2-6g | M42×2-6H | 130 | 127 |
CQPΦ-50/14-※ | 50 | 1170 | 1110 | 154 | 151 | ||||
CQPΦ-63/14-※ | 63 | 1410 | 1350 | 184 | 181 | ||||
CQPΦ-72/14-※ | 72 | 1580 | 1520 | 205 | 202 | ||||
CQPΦ-80/14-※ | 80 | 1710 | 1650 | 224 | 221 | ||||
CQPΦ-100/14-※ | 100 | 2090 | 2030 | 268 | 271 | ||||
CQPΦ-40/20-※ | 20 | 40 | 990 | 930 | 87 | 85 | |||
CQPΦ-50/20-※ | 50 | 1170 | 1110 | 103 | 101 | ||||
CQPΦ-63/20-※ | 63 | 1410 | 1350 | 123 | 121 | ||||
CQPΦ-72/20-※ | 72 | 1580 | 1520 | 137 | 135 | ||||
CQPΦ-80/20-※ | 80 | 1710 | 1650 | 150 | 148 | ||||
CQPΦ-100/20-※ | 100 | 2090 | 2030 | 170 | 172 | ||||
CQPΦ-40/31.5-※ | 31.5 | 40 | 990 | 930 | 130 | 127 | |||
CQPΦ-50/31.5-※ | 50 | 1170 | 1110 | 154 | 151 | ||||
CQPΦ-63/31.5-※ | 63 | 1410 | 1350 | 184 | 181 | ||||
CQPΦ-72/31.5-※ | 72 | 1580 | 1520 | 205 | 202 | ||||
CQPΦ-80/31.5-※ | 80 | 1710 | 1650 | 224 | 221 | ||||
CQPΦ-100/31.5-※ | 100 | 2090 | 2030 | 281 | 284 | ||||
型号 | 外径 (mm) | 公称压力 (Mpa) | 公称容积 (L) | 基本尺寸 (mm) | 连接螺纹 | 重量 (Kg) | |||
A型 | B型 | M1 | M2 | A型 | B型 | ||||
CQPΦ-63/20-※ | 351 | 20 | 63 | 1100 | 1040 | M115×3-6g | M42×2-6H | 149 | 145 |
CQPΦ-80/20-※ | 80 | 1320 | 1260 | 178 | 174 | ||||
CQPΦ-100/20-※ | 100 | 1580 | 1520 | 216 | 212 | ||||
CQPΦ-125/20-※ | 125 | 1910 | 1850 | 256 | 252 | ||||
CQPΦ-150.20-※ | 150 | 2240 | 2180 | 299 | 295 | ||||
CQPΦ-180/20-※ | 180 | 2640 | 2580 | 352 | 348 | ||||
CQPΦ-200/20-※ | 200 | 2900 | 2840 | 386 | 382 | ||||
CQPΦ-63/32-※ | 32 | 63 | 1100 | 1040 | 183 | 178 | |||
CQPΦ-80/32-※ | 80 | 1320 | 1260 | 219 | 215 | ||||
CQPΦ-100/32-※ | 100 | 1580 | 1520 | 262 | 257 | ||||
CQPΦ-125/32-※ | 125 | 1910 | 1850 | 316 | 311 | ||||
CQPΦ-150/32-※ | 150 | 2240 | 2180 | 369 | 364 | ||||
CQPΦ-180/32-※ | 180 | 2640 | 2580 | 435 | 430 | ||||
CQPΦ-200/32-※ | 200 | 2900 | 2840 | 477 | 472 | ||||
注:对表格以外的特殊规格或连接尺寸的储气罐,可根据用户要求进行生产。
5.注意事项
① 储气罐不得采用焊接或铆接方法固定。
② 储气罐安装后应检查接口处是否漏气。
③ 储气罐使用后,应按规定定期进行检查。
④ 储气罐严禁使用氧气及易燃、易爆气体。
6.订货说明
① 本公司产品使用方便,系列齐全。订货时须写明型号代号全称,如:工作压力为20MPa.公称容量16L,直径、为Φ219结构形式为双头的储气罐CQP219-16/20-A。
② 若对储气罐有特殊要求时,请同本企业商洽。
③ 本企业保留设计更改权,对修改不另行通知。
7×24小时服务热线 13736056877