

1.产品概述
蓄能器控制阀组主要安装在蓄能器和液压系统之间,由截止阀、安全阀和卸荷阀等组成,用于控制蓄能器通断,溢流,卸荷等方面,具有结构紧凑性能强、连接灵活易操作等特点。卸荷有手动卸荷或电磁卸荷。
2.功能特点
① 可以对畜能器的安全工作压力进行设定,或者对液压系统实施供液和保压;
② 用以控制畜能器与液压系统之间的流道通断;
③ 当畜能器向系统供液或系统向畜能器充液时,以吸收脉动,补偿容量等工况下打开手动球阀,当需要停止工作或以畜能器进行检修时关闭手动球阀;
④ 必要时可用手动卸荷阀卸荷或电磁卸荷。
3.型号参数
AJ _ ※ _ ※ ※ ※ / ※
① ② ③ ④ ⑤ ⑥
① 名称代号:蓄能器控制阀组
② 卸荷形式: S—手动卸荷(标准型) D—带电磁卸荷
③ 公称通径:10、20、32mm
④ 安全阀压力等级:a-6.3MPa b-16MPa
c-25Mpa h-31.5Mpa
⑤结构模式:Z—直动式溢流阀
⑥蓄能器接头螺纹:M27×2、M42×2
M60×2、M72×2
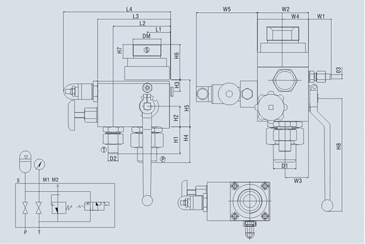
4.结构原理与外形尺寸
蓄能器控制阀组由高压球芯截止阀、直控式溢流阀及一个小型截止阀等三个主要阀体组成,其中截止阀是手动主开关阀,溢流阀作为安全阀(用以设定最高机械压力),而截止阀是泄荷阀。三个阀体相互协调,构成液压系统内蓄能器回路不可或缺的一部分。

5.技术规格
型号 | DN | PN | 基本尺寸 | |||||||||||||||||||
L1 | L2 | L3 | L4 | W1 | W2 | W3 | W4 | H1 | H2 | H3 | H4 | M1 | M2 | |||||||||
AJS-10※Z※ | 10 | 10 20 31.5 | 25 | 68 | 90 | 155 | 42 | 50 | 22.5 | 25 | 40 | 24 |
| 55 | M14×1.5 | |||||||
AJS-20※Z※ | 20 | 45 | 105 | 145 | 210 | 42 | 90 | 40 | 45 | 53 | 32 | 20 | 60 | |||||||||
AJS-32※Z※ | 32 | 50 | 122 | 155 | 225 | 42 | 95 | 42 | 47.5 | 53 | 38 | 20 | 78 | |||||||||
型号 | 基本尺寸 | 重量 | ||||||||||||||||||||
H5 | H6 | H7 | H8 | D1 | D2 | D3 | DM | |||||||||||||||
AJS-10※Z※ | 85 | 31/35 | 16/23 | 130 | 22 | 17 | 10 | M27×2/M42×2 | 4 | |||||||||||||
AJS-20※Z※ | 90 | 63/75 | 23/30 | 170 | 28 | 22 | 10 | M42×2/M60×2 | 13 | |||||||||||||
AJS-32※Z※ | 100 | 75/80 | 30/35 | 210 | 42 | 22 | 10 | M60×2/M72×2 | 15 | |||||||||||||
型号 | DN | PN | 基本尺寸 | |||||||||||||||||||||
L1 | L2 | L3 | L4 | W1 | W2 | W3 | W4 | W5 | H1 | H2 | H3 | M1 | M2 | |||||||||||
AJD-10※Z※ | 10 | 10 20 31.5 | 25 | 69 | 90 | 155 | 42 | 50 | 22.5 | 25 | 113 | 40 | 24 |
| M14×1.5 | |||||||||
AJD-20※Z※ | 20 | 45 | 105 | 145 | 210 | 42 | 90 | 40 | 45 | 113 | 53 | 32 | 20 | |||||||||||
AJD-32※Z※ | 32 | 50 | 122 | 155 | 225 | 42 | 95 | 42 | 47.5 | 113 | 53 | 38 | 20 | |||||||||||
型号 | 基本尺寸 | 重量 | ||||||||||||||||||||||
H4 | H5 | H6 | H7 | H8 | D1 | D2 | D3 | DM | ||||||||||||||||
AJD-10※Z※ | 55 | 85 | 31/35 | 16/23 | 130 | 22 | 17 | 10 | M27×2/M42×2 | 4 | ||||||||||||||
AJD-20※Z※ | 60 | 90 | 63/75 | 23/30 | 170 | 28 | 22 | 10 | M42×2/M60×2 | 13 | ||||||||||||||
AJD-32※Z※ | 78 | 100 | 75/80 | 30/35 | 210 | 42 | 22 | 10 | M60×2/ M72×2 | 15 | ||||||||||||||
公称压力:6.30~31.5MPa
适用介质: 矿物油,水-乙二醇和乳化液
介质温度:-15℃~+65℃
6.订货说明
① 订货时须写明型号代号全称,如:工作压力为31.5Mpa,通径为20mm,标准型,蓄能器接口螺纹M42×2的蓄能器控制阀组:AJS-20HZ/M42×2。
② 如对蓄能器控制阀组还有特殊要求时,请向本企业商洽。
③ 本企业保留设计更改权,对修改不另行通知。
7×24小时服务热线 13736056877