

1.型号说明
NX-TJ /Φ※
① ②
① 名称代号:蓄能器托架
② 蓄能器外径:Φ89~Φ426
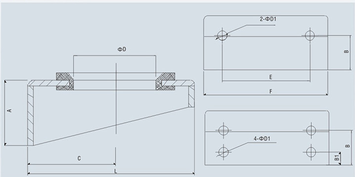
2.结构与外形尺寸

3.技术参数
| 型号 | A | B | C | ΦD | Φ;D1 | E | F | B1 | L | 配用蓄能器型号 | 重量 (Kg) |
| NX-TJ/Φ89 | 45 | 23 | 62.5 | Φ60 | 2-Φ9 | 60 | 98 | / | 112 | NXQ-0.4L~0.63L | 0.8 |
| NX-TJ/Φ114 | 50 | 28 | 75 | Φ60 | 2-Φ9 | 70 | 126 | / | 138 | NXQ-1L | 1 |
| NX-TJ/Φ152 | 65 | 35 | 96 | Φ88 | 2-Φ13 | 113 | 162 | / | 178 | NXQ-1.6~6.3L | 2 |
| NX-TJ/Φ219 | 100 | 62 | 133 | Φ125 | 4-Φ;17 | 160 | 226 | 22 | 252 | NXQ-10L~40L | 7 |
| NX-TJ/Φ299 | 100 | 62 | 173 | Φ140 | 4-Φ17 | 200 | 306 | 22 | 332 | NXQ-20L~100L | 12 |
| NX-TJ/Φ351 | 120 | 70 | 212 | Φ170 | 4-Φ17 | 280 | 360 | 30 | 412 | NXQ-63L~160L | 20 |
| NX-TJ/Φ426 | 120 | 70 | 237 | Φ200 | 4-Φ17 | 300 | 435 | 30 | 462 | NXQ-100L~250L | 24 |
4.订货说明
① 订货时须写明型号代号全称,如:蓄能器公称容积25L,直径为Φ299托架:NX-TJ/Φ299.(已包括橡胶垫)
② 若对托架还有特殊要求时,请向本企业商洽。
③ 本企业保留设计更改权,对修改不另行通知。
7×24小时服务热线 13736056877