

1.产品概述
GLC系列是按国外资料研制而成的新型高效列管式油冷却器,适用于冶金、矿山、化工、电力、机床、轻工、塑料凳行业的液压润滑系统,将其工作介质冷却到规定的温度。
列管式油冷却器由壳体、前盖、后盖、冷却芯等组成。冷却芯有换热管、固定管板、浮动管板、拆流板、支撑杆组成。换热管采用紫铜翅片管,管束一端固定,一端浮动,因而有效的避免因热膨胀而起的结构故障。冷却管可以从壳体中抽出,便于检查,清洗 维修。
本款型号的列管式油冷却器具有体积小、重量轻、结构新颖,换热效果显著等特点,性能达到国外同类产品的水平。
2.型号说明
GL C ※ _ ※ / ※ ※
① ② ③ ④ ⑤ ⑥
①名称代号:列管式油冷却器
②换热器结构:C—翅片管
③设计序号:1-6
(进出水口:螺纹式;进出油口:法兰或螺纹式)
④公称冷却面积:0.4-90m2
⑤压力等级:0.6,1,1.6Mpa
⑥连接方式:省略—螺纹连接
F—法兰连接
3.技术参数
| 型号 | 冷却面积 (m2) | 工作压力 (Mpa) | 工作温度 (℃) | 压力损失 (Mpa) | 油水流量比 | 介质粘度 厘沲) m-6m2/s | 换热系数 W/m2K | |
| 油侧 | 水侧 | |||||||
| GLC1 | 0.4~1.2 | 0.6~1.6 | ≤100 | ≤0.1 | ≤0.05 | 1:1左右 | 10~50 | ≥3350 |
| GLC2 | 1.3~3.5 | |||||||
| GLC3 | 4~11 | |||||||
| GLC4 | 13~27 | |||||||
| GLC5 | 30~54 | |||||||
| GLC6 | 55~90 | |||||||
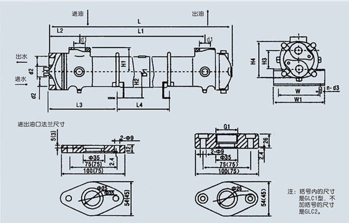
4.外形尺寸

| 型号 | 基本尺寸(mm) | 油流量范围 (L/min) | 重量 (kg) | ||||||||||||||
| L | L1 | L2 | L3 | L4 | W | W1 | H1 | H2 | H3 | H4 | D1 | d1 | D2 | n-d3 | |||
| GLC1-0.4 | 370 | 240 | 67 | 115 | 145 | 102 | 132 | 60 | 68 | 52 | 92 | 78 | G1 (DN25) | G3/4 (DN25) | 4-12 | 10-35 | 10 |
| GLC1-0.6 | 540 | 405 | 310 | 25-60 | 13 | ||||||||||||
| GLC1-0.8 | 660 | 532 | 435 | 35-60 | 15 | ||||||||||||
| GLC1-1 | 810 | 665 | 570 | 60-75 | 17 | ||||||||||||
| GLC1-1.2 | 940 | 805 | 715 | 60-85 | 19 | ||||||||||||
| GLC2-1.3 | 560 | 375 | 98 | 172 | 225 | 145 | 175 | 85 | 93 | 78 | 137 | 120 | G1 (DN25) | G1 (DN25) | 4-12 | 30-85 | 21 |
| GLC2-1.7 | 690 | 500 | 350 | 30-113 | 26 | ||||||||||||
| GLC2-2.1 | 820 | 635 | 485 | 30-113 | 29 | ||||||||||||
| GLC2-2.6 | 960 | 775 | 630 | 35-125 | 33 | ||||||||||||
| GLC2-3 | 1110 | 925 | 780 | 35-125 | 37 | ||||||||||||
| GLC2-3.5 | 1270 | 1085 | 935 | 40-150 | 41 | ||||||||||||
| GLC3-4 | 840 | 570 | 152 | 245 | 380 | 170 | 210 | 125 | 158 | 110 | 238 | 168 | G11/2 (DN36) | G11/4 (DN25) | 4-15 | 35-170 | 57 |
| GLC3-5 | 990 | 720 | 530 | 35-190 | 70 | ||||||||||||
| GLC3-6 | 1140 | 870 | 680 | 40-220 | 83 | ||||||||||||
| GLC3-7 | 1310 | 1040 | 850 | 45-240 | 90 | ||||||||||||
| GLC3-8 | 1470 | 1200 | 1010 | G2 (DN50) | G11/2 (DN36) | 50-280 | 96 | ||||||||||
| GLC3-9 | 1630 | 1360 | 1170 | 50-290 | 105 | ||||||||||||
| GLC3-10 | 1800 | 1530 | 1340 | 60-320 | 110 | ||||||||||||
| GLC3-11 | 1980 | 1710 | 1520 | 60-350 | 118 | ||||||||||||
| GLC4-13 | 1340 | 985 | 197 | 318 | 745 | 270 | 320 | 160 | 208 | 140 | 305 | 219 | G2 (DN50) | G2 (DN50) | 4-Φ19 | 50-300 | 152 |
| GLC4-15 | 1500 | 1145 | 905 | 50-320 | 164 | ||||||||||||
| GLC4-17 | 1660 | 1305 | 1065 | 60-350 | 175 | ||||||||||||
| GLC4-19 | 1830 | 1475 | 1235 | 60-400 | 188 | ||||||||||||
| GLC4-21 | 2010 | 1655 | 1415 | 70-430 | 200 | ||||||||||||
| GLC4-23 | 2180 | 1825 | 1585 | 70-450 | 213 | ||||||||||||
| GLC4-25 | 2360 | 2005 | 1765 | 80-480 | 225 | ||||||||||||
| GLC4-27 | 2530 | 2175 | 1935 | 80-520 | 238 | ||||||||||||
| GLC5-30 | 1932 | 1570 | 202 | 327 | 1320 | 280 | 320 | 200 | 234 | 180 | 355 | 273 | G21/2 (DN65) | G2 (DN50) | 4-Φ23 | 150-650 | 255 |
| GLC5-34 | 2152 | 1790 | 1540 | 150-700 | 280 | ||||||||||||
| GLC5-37 | 2322 | 1960 | 1710 | 200-800 | 298 | ||||||||||||
| GLC5-41 | 2542 | 2180 | 1930 | 200-850 | 322 | ||||||||||||
| GLC5-44 | 2712 | 2350 | 2100 | 250-900 | 340 | ||||||||||||
| GLC5-48 | 2872 | 2510 | 2260 | 250-950 | 357 | ||||||||||||
| GLC5-51 | 3090 | 2730 | 2480 | 300-1000 | 380 | ||||||||||||
| GLC5-54 | 3262 | 2900 | 2650 | 300-1100 | 398 | ||||||||||||
| GLC6-55 | 2272 | 1860 | 227 | 362 | 1590 | 300 | 390 | 230 | 284 | 200 | 410 | 325 | G3 (DN65) | G21/2 (DN65) | 4-Φ23 | 350-1150 | 418 |
| GLC6-60 | 2452 | 2040 | 1770 | 350-1200 | 442 | ||||||||||||
| GLC6-65 | 2632 | 2220 | 1950 | 400-1250 | 469 | ||||||||||||
| GLC6-70 | 2812 | 2400 | 2130 | 400-1300 | 498 | ||||||||||||
| GLC6-75 | 2992 | 2580 | 2310 | 500-1350 | 525 | ||||||||||||
| GLC6-80 | 3172 | 2760 | 2490 | 500-1400 | 550 | ||||||||||||
| GLC6-85 | 3352 | 2940 | 2670 | 600-1500 | 575 | ||||||||||||
| GLC6-90 | 3532 | 3120 | 2850 | 600-1600 | 602 | ||||||||||||
5.注意事项
①较脏的介质通过冷却器之前,应该有滤清器。
②最好安装在一个单独的有循环回路内,因(尾端)压力较小。
③工作时,两个循环回路均需排气,以达到高效率,避免回路出现锈蚀。
④先接通冷介质,后接通热介质,避免产生较大的热压力。
⑤被冷却介质压力应大于冷却介质。
⑥冷却水通常采用淡水,(用海水冷却时需要特殊订货)。
⑦要定期排气,并隔一段时间进行清洗。
⑧在寒冷季节,且冷却器不在工作的情况下,必须将水放尽,以免冻裂。
6.订货说明
①订货时须写明型号代号全称,如:工作压力1Mpa,冷却面积4m2的列管式油冷却器:GCL3-4/1。
②如对此冷却器有特殊要求时,请向本企业商洽。
③本企业保留设计更改权,对修改不另行通知。
7×24小时服务热线 13736056877