板式球阀KHP系列
【所属分类】:国际标准液压高压球阀
【产品型号】:
【市场价格】:面议/电询
【生产厂家】:半岛在线登录入口
【访问人次】:次
产品详情
1.型号说明
KHP _ 10 _ 1 2 1 4 _ 04 _ X
1 2 3 4 5 6 7 8
1、系列型号:KHP-板式球阀
2、公称通径:6,10,16,20,25,32,40,50mm
3、阀体、螺塞和控制芯轴:钢质 Steel
4、球体: 1—钢质DN06-50 2—黄铜 DN10-25
5、球体密封处:POM
6、控制芯轴和接头体密封:丁晴橡胶(NBR)
7、手柄:铸锌带固定螺栓的手柄、曲柄(ZK)
8、系列:由制造商定
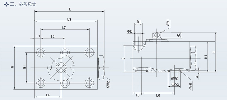
2.外形尺寸

| 型号/公称通径 | DN | LW | L | L1 | L2 | L3 | L4 | L5 | L6 | L7 | B | B1 | PN(bar) |
| KHP-06 | 6 | 6.0 | 64.0 | 9.5 | 17.5 | 59.0 | 24.5 | 9.5 | 35.0 | 35.0 | 42 | 27 | 500 |
| KHP-10 | 10 | 9.5 | 80.0 | 7.5 | 27.5 | 70.0 | 29.0 | 10.0 | 44.0 | 55.0 | 56 | 40 | 315 |
| KHP-16 | 16 | 16.0 | 110.0 | 8.5 | 41.5 | 100.0 | 44.5 | 17.0 | 58.0 | 83.0 | 60 | 45 | 315 |
| KHP-20 | 20 | 20.0 | 127.0 | 10.0 | 48.5 | 117.0 | 51.0 | 20.0 | 69.0 | 97.0 | 70 | 51 | 315 |
| KHP-25 | 25 | 23.5 | 145.0 | 10.0 | 57.5 | 135.0 | 62.0 | 24.0 | 81.0 | 115.0 | 80 | 60 | 315 |
| KHP-32 | 32 | 30.0 | 176.0 | 12.0 | 68.0 | 165.0 | 75.0 | 29.0 | 96.0 | 136.0 | 100 | 78 | 315 |
| KHP-40 | 40 | 38.0 | 205.0 | 28.5 | 56.0 | 180.0 | 85.5 | 28.5 | 112.0 | 112.0 | 130 | 95 | 315 |
| KHP-50 | 50 | 48.0 | 245.0 | 38.0 | 68.0 | 220.0 | 106.0 | 38.0 | 136.0 | 136.0 | 149 | 112 | 315 |
| 型号/公称通径 | SW1 | SW2 | H | H1 | H2 | D | D1 | D2 | D3 | A | S | O型圈 | |
| KHP-06 | 6 | 22 | 37.0 | 33 | 7.0 | 6.6 | 10.5 | 6.0 | 12 | 1.6 | 23.0 | 8×2 | |
| KHP-10 | 9 | 30 | 58.0 | 45.0 | 8.5 | 9.0 | 14.0 | 9.5 | 15.0 | 2.0 | 36.0 | 10×2.6 | |
| KHP-16 | 12 | 36 | 72.5 | 55.0 | 11.0 | 9.0 | 14.0 | 16.0 | 25.0 | 2.0 | 46.0 | 20.29×2.62 | |
| KHP-20 | 14 | 41 | 88.5 | 70.0 | 11.0 | 10.5 | 16.5 | 20.0 | 30.0 | 2.9 | 59.5 | 23.39×3.53 | |
| KHP-25 | 14 | 50 | 97.5 | 80.0 | 11.0 | 10.5 | 17.0 | 23.5 | 35.0 | 2.9 | 69.0 | 28.17×3.53 | |
| KHP-32 | 17 | 65 | 118.5 | 100.0 | 12.0 | 13.0 | 19.5 | 32.0 | 39.4 | 2.9 | 84.5 | 32.92×3.53 | |
| KHP-40 | 17 | 118.5 | 100.0 | 12.0 | 17.5 | 26.0 | 38.0 | 48.4 | 2.9 | 82.5 | 42×3.5 | ||
| KHP-50 | 17 | 129.0 | 110.0 | 12.0 | 22.0 | 33.0 | 48.0 | 55.4 | 2.9 | 88.5 | 49×3.5 | ||
CN
EN
ES





