高压球阀KHB(BKH)/KHM(AKH)系列
【所属分类】:国际标准液压高压球阀
【产品型号】:
【市场价格】:面议/电询
【生产厂家】:半岛在线登录入口
【访问人次】:次
系列代号:KHB(BKH)阀块型球阀 KHM(MKH)袖套型球阀
;连接材料:G形式、LR形式、SR形式、M形式、NPT形式;阀体材料:1—钢 2—不锈钢;球体材料:1—钢 2—不锈钢 3—黄铜;球体处密封:1—POM 2—丁晴橡胶(NBR) 3—聚四氟乙烯(FPM) ...
1.型号说明
KHB _ G1/2 _ 1 2 1 2 _ 01 X _ ※
1 2 3 4 5 6 7 8 9
1、系列代号:KHB(BKH)阀块型球阀 KHM(MKH)袖套型球阀
2、连接材料:G形式、LR形式、SR形式、M形式、NPT形式
3、阀体材料:1—钢 2—不锈钢
4、球体材料:1—钢 2—不锈钢 3—黄铜
5、球体处密封:1—POM 2—丁晴橡胶(NBR) 3—聚四氟乙烯(FPM)
6、阀杆和接头处密封: 1—丁晴橡胶(NBR 2—聚四氟乙烯(FPM)
7、手柄型号:01—铝质抱箍手柄,直柄(AG)DN12-50
02—铝质抱箍手柄,曲柄(AK)DN12-50
03—铸锌抱箍手柄,直柄(ZG)DN04-13
04—铸锌抱箍手柄,曲柄(ZK)DN04-13
06—钢质带安全螺栓手柄,曲柄(SK)
09—无手柄 DN12-50
8、系列号:制造商定
9、表面防护:无-磷化 G-镀黄锌
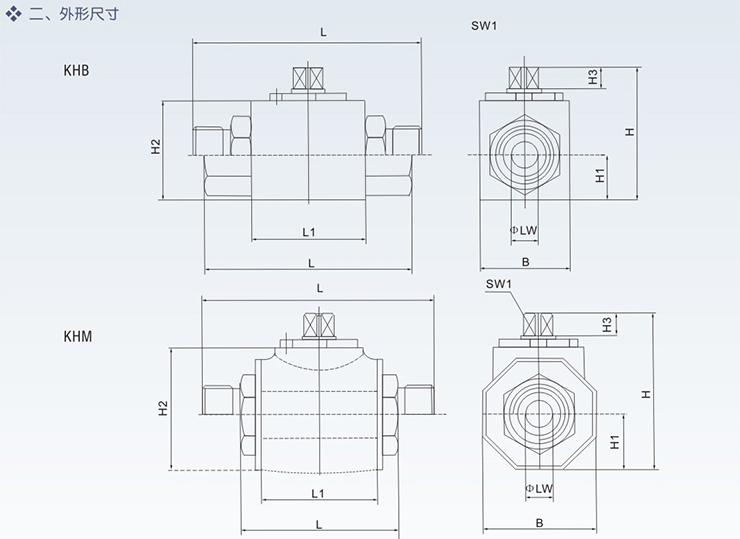
2.外形尺寸

3.连接形式及技术参数

CN
EN
ES





